Accesorii și piese

PANOURI DE ACOPERIRE ȘI CONSOALE

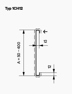
Plăcile de acoperire furnizate pentru jaluziile de exterior sunt din aluminiu. ​La cererea clientului, le putem vopsi în orice culoare RAL în propriul nostru atelier de vopsire cu pulbere.. Lungimea fiecărei plăci este de până la 4 m, iar grosimea este de 1,5 sau 2 mm. Oferim diferite tipuri de plăci de acoperire pentru o instalare ușoară.

Tratamentul suprafețelor plăcilor: ​culoarea vopselei corespunde RAL
Lungime placă: max. 4 m într-o bucată
Grosime placă: 1,5 sau 2 mm
Material: aluminiu

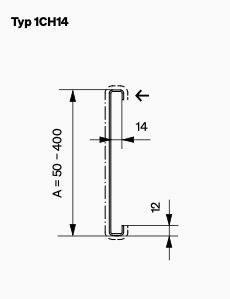
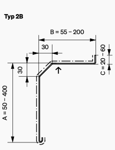
TYPY KRYCÍCH PLECHOV
BOKY  KRYCÍCH PLECHOV
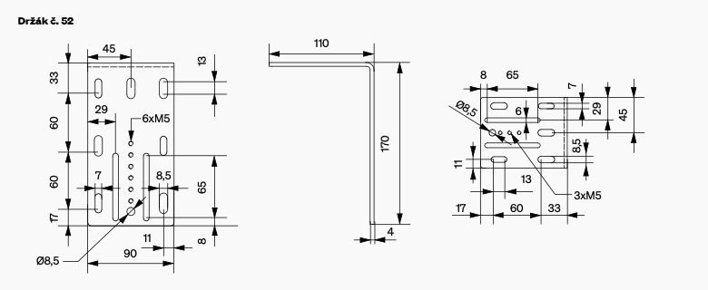
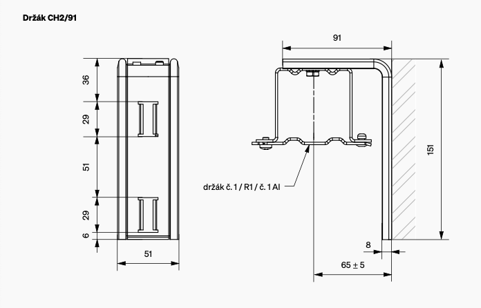
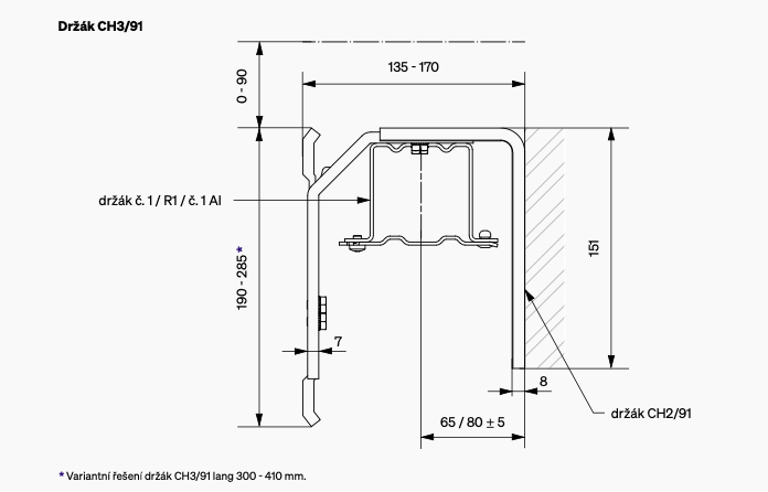
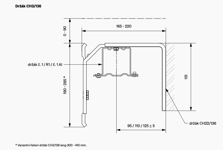
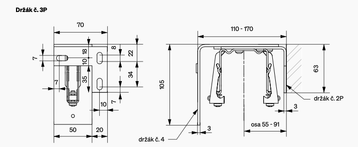
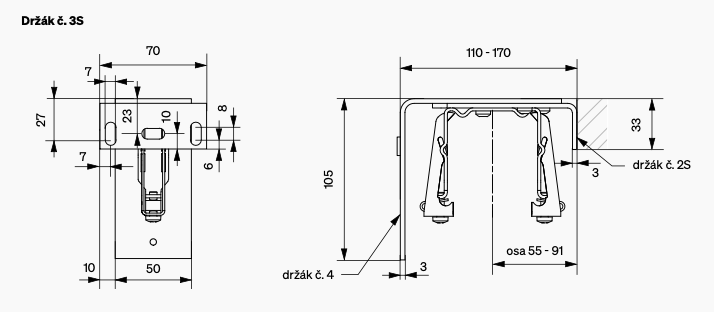
TYPY DRŽIAKOV HORNÝCH PROFILOV

TYPY VODIACICH PROFILOV